Número de parte: 09 0762 180 05
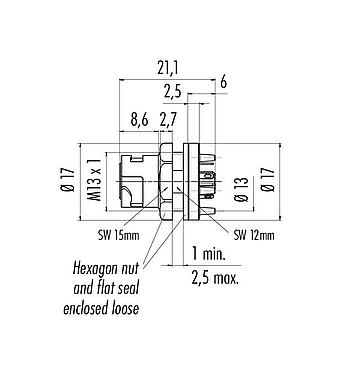
Bayoneta Toma de brida, Número de contactos: 5, sin blindaje, soldadura, IP54 desenchufado, M13x1,0, Montaje en pared
Bayoneta NCC, serie 670, Conectores subminiatura
Características generales
másmenos| Número de parte | 09 0762 180 05 |
| Diseño de conector | Toma de brida |
| Versión | Conector macho recto |
| Sistema de bloqueo de conector | Bayoneta |
| Terminación | soldadura |
| Grado de protección |
IP54 desenchufado IP67 |
| Sección de conexión | 0,25 mm² / AWG 24 |
| Rango de temperatura desde / hasta | -25 °C / 85 °C |
| Operacion mecanica | > 1000 ciclos de conexión |
| Peso (gr) | 3.90 |
| Número de arancel aduanero | 85369010 |
| País de origen | DE |
Parámetros eléctricos
másmenos| Voltaje nominal | 50 V |
| Voltaje de impulso nominal | 500 V |
| Corriente nominal (40 ° C) | 2,0 A |
| Grado de contaminación | 2 |
| Categoría de sobrevoltaje | II |
| Grupo de materiales | II |
| Cumplimiento de EMV | sin blindaje |
Material
másmenos| Material de la carcasa | PA |
| Material del cuerpo de contacto | PA |
| Material de contacto | CuSn (bronce) |
| Chapado de contacto | Au (oro) |
| REACH SVHC |
CAS 7439-92-1 (Lead) |
| PFAS presentes | 056d8bfb-c51a-486a-9a6b-229c03f426ce |
Clasificaciones
másmenos| eCl@ss 11.1 | 27-44-01-09 |
| ETIM 9.0 | EC003569 |
Aviso general de exención de responsabilidad
- El conector no debe estar enchufado ni estar desenchufado bajo carga. El incumplimiento y el uso inadecuado pueden provocar lesiones personales.
- Los conectores se han desarrollado para aplicaciones en planta de ingeniería, control y construcción de equipos eléctricos. El usuario es responsable de comprobar si los conectores también se pueden utilizar en otras áreas de aplicación.
- Los conectores que se utilizan en circuitos con voltajes peligrosos al tacto sólo pueden ser instalados y utilizados por, o bajo la supervisión de, personas con formación en ingeniería eléctrica, teniendo en cuenta las normativas y normas aplicables.
- El usuario debe tomar las precauciones de seguridad adecuadas para asegurarse de que el conector no pueda desconectarse accidentalmente.
- Los conectores enchufables con protección del recinto IP67 e IP68 no son adecuados para su uso bajo el agua. Cuando se utilizan en exteriores, los conectores enchufables deben protegerse por separado contra la corrosión. Para obtener más información sobre las clases de protección IP, consulte "información técnica" Centro de descargas
- Por favor observe el grado de contaminación y la categoría de sobretensión. Para obtener más información, consulte el centro de descargas "información técnica"
Descargas
Ficha técnica
Ficha técnica 09 0762 180 05
descargar
REACH
09 0762 180 05
descargar
RoHS
09 0762 180 05
descargar
China RoHS
09 0762 180 05
descargar
Datos EPLAN
09 0762 180 05
descargar
Verificación para descargar
Complete la verificación para continuar con la descarga CAD.
Datos CAD
Elija su formato preferido


