Número de parte: 31 5236 300 510
Conector de válvula solenoide hembra, Número de contactos: 2+2PE, sin blindaje, moldeado en el cable, IP67, PUR, negro, Circuito Z10, con LED PNP, 3 m
Modelo A, serie 210, Tecnología de automatización - conectores de válvulas solenoides
Características generales
másmenos| Número de parte |
31 5236 300 510
Número de parte antiguo: 31 1313 300 510
|
| Aviso |
Tenga en cuenta que, debido al cambio del número de pedido antiguo al nuevo, puede haber desviaciones en las especificaciones técnicas. Si tiene preguntas sobre los detalles del producto, utilice el formulario "Comuníquese con el servicio de atención al cliente" a la derecha.
más |
| Diseño de conector | Conector de válvula solenoide hembra |
| Tipo estándar | DIN EN 175301-803 |
| Longitud del cable | 3 m (Otras longitudes disponibles previa solicitud). |
| Versión | Conector de válvula solenoide hembra |
| Sistema de bloqueo de conector | Tornillo central |
| Terminación | moldeado en el cable |
| Grado de protección | IP67 |
| Sección de conexión | 0,75 mm² / AWG 18 |
| Rango de temperatura desde / hasta | -25 °C / 80 °C |
| Operacion mecanica | > 50 ciclos de conexión |
| Peso (gr) | 200 |
| Número de arancel aduanero | 85444290 |
| País de origen | CZ |
Parámetros eléctricos
másmenos| Voltaje nominal | 24 V |
| Voltaje de impulso nominal | 4000 V |
| Corriente nominal (40 ° C) | 4,0 A |
| Resistencia de aislamiento | ≥ 1010 Ω |
| Grado de contaminación | 3 |
| Categoría de sobrevoltaje | III |
| Grupo de materiales | I |
| Cumplimiento de EMV | sin blindaje |
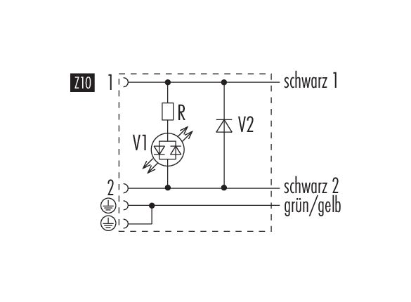
| Alambrado | Z10 |
Material
másmenos| Material de la carcasa | PBT |
| Material del cuerpo de contacto | PA |
| Material de contacto | CuSn (bronce) |
| Chapado de contacto | Sn (estaño) |
| REACH SVHC |
None (No pollutants) |
| PFAS presentes | 4c6e4bdb-3422-4a44-84d5-71ceaf48d3ed |
Datos de cable
másmenos| Estructura del cable | |
| Diámetro del cable | 6,0 mm |
| carcasa de material | PUR |
| Estructura de un solo cable | 3 x 0,75 mm |
| Color del cable | negro |
| Otras características | |
| Libre de halógeno | sí |
Clasificaciones
másmenos| eCl@ss 11.1 | 27-06-03-11 |
| ETIM 9.0 | EC002638 |
Declaración de conformidad CE
másmenos| Directiva RoHS | 2011/65/EU (EN 50581:2012) |
Aviso general de exención de responsabilidad
- El conector no debe estar enchufado ni estar desenchufado bajo carga. El incumplimiento y el uso inadecuado pueden provocar lesiones personales.
- Los conectores se han desarrollado para aplicaciones en planta de ingeniería, control y construcción de equipos eléctricos. El usuario es responsable de comprobar si los conectores también se pueden utilizar en otras áreas de aplicación.
- Los conectores que se utilizan en circuitos con voltajes peligrosos al tacto sólo pueden ser instalados y utilizados por, o bajo la supervisión de, personas con formación en ingeniería eléctrica, teniendo en cuenta las normativas y normas aplicables.
- El usuario debe tomar las precauciones de seguridad adecuadas para asegurarse de que el conector no pueda desconectarse accidentalmente.
- Los conectores enchufables con protección del recinto IP67 e IP68 no son adecuados para su uso bajo el agua. Cuando se utilizan en exteriores, los conectores enchufables deben protegerse por separado contra la corrosión. Para obtener más información sobre las clases de protección IP, consulte "información técnica" Centro de descargas
- Por favor observe el grado de contaminación y la categoría de sobretensión. Para obtener más información, consulte el centro de descargas "información técnica"
Descargas




