Número de parte: 86 0532 1121 00005
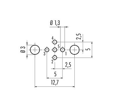
M12 Toma de brida, Número de contactos: 5, blindable, THT, IP68, UL 2238, PG 9, Montaje en pared
M12-A, serie 763, Tecnología de automatización - sensores y actuadores
Características generales
másmenos| Número de parte |
86 0532 1121 00005
Número de parte antiguo: 09 3442 605 05
|
| Aviso |
Tenga en cuenta que, debido al cambio del número de pedido antiguo al nuevo, puede haber desviaciones en las especificaciones técnicas. Si tiene preguntas sobre los detalles del producto, utilice el formulario "Comuníquese con el servicio de atención al cliente" a la derecha.
más |
| Diseño de conector | Toma de brida |
| Tipo estándar | DIN EN 61076-2-101 |
| Codificación | código A |
| Versión | Conector hembra en ángulo |
| Sistema de bloqueo de conector | tornillo |
| Terminación | THT |
| Grado de protección | IP68 |
| Rango de temperatura desde / hasta | -40 °C / 85 °C |
| Operacion mecanica | > 100 ciclos de conexión |
| Peso (gr) | 16.13 |
| Número de arancel aduanero | 85369010 |
| País de origen | DE |
Parámetros eléctricos
másmenos| Voltaje nominal | 60 V |
| Voltaje de impulso nominal | 1500 V |
| Corriente nominal (40 ° C) | 4 A (3 A UL) |
| Resistencia de aislamiento | > 108 Ω |
| Grado de contaminación | 3 |
| Categoría de sobrevoltaje | II |
| Grupo de materiales | III |
| Cumplimiento de EMV | blindable |
| Conexión de pantalla | placa de protección |
Material
másmenos| Material de la carcasa | CuZn (Latón niquelado) |
| Material del cuerpo de contacto | PA negro |
| Material de contacto | CuSn (bronce) |
| Chapado de contacto | Au (oro) |
| REACH SVHC |
CAS 7439-92-1 (Lead) |
| PFAS presentes | 905c5890-2586-492a-8e2e-b058c7986581 |
Autorizaciones / aprobaciones
másmenos| Approvals | UL 2238 |
Clasificaciones
másmenos| eCl@ss 11.1 | 27-44-01-09 |
| ETIM 9.0 | EC003569 |
Aviso general de exención de responsabilidad
- El conector no debe estar enchufado ni estar desenchufado bajo carga. El incumplimiento y el uso inadecuado pueden provocar lesiones personales.
- Los conectores se han desarrollado para aplicaciones en planta de ingeniería, control y construcción de equipos eléctricos. El usuario es responsable de comprobar si los conectores también se pueden utilizar en otras áreas de aplicación.
- Para proteger contra la apertura involuntaria del conector, la rosca entre la carcasa y la cabeza del conector debe asegurarse con un adhesivo de cianoacrilato adecuado cuando se use en circuitos con voltajes peligrosos al tacto. Esto no se aplica a los conectores utilizados en circuitos SELV y PELV según IEC 61140 (EN 61140, VDE 0140-1).
- Los conectores que se utilizan en circuitos con voltajes peligrosos al tacto sólo pueden ser instalados y utilizados por, o bajo la supervisión de, personas con formación en ingeniería eléctrica, teniendo en cuenta las normativas y normas aplicables.
- El usuario debe tomar las precauciones de seguridad adecuadas para asegurarse de que el conector no pueda desconectarse accidentalmente.
- Los conectores enchufables con protección del recinto IP67 e IP68 no son adecuados para su uso bajo el agua. Cuando se utilizan en exteriores, los conectores enchufables deben protegerse por separado contra la corrosión. Para obtener más información sobre las clases de protección IP, consulte "información técnica" Centro de descargas
- Para bloquear el conector del cable con el conector del dispositivo, el anillo roscado se aprieta "apretado con la mano"(aprox. 60 cNm).
- El usuario debe tomar las precauciones de seguridad adecuadas para garantizar que el conector no pueda desconectarse accidentalmente. Además, el usuario debe asegurarse de que el cable está adecuadamente asegurado.
Descargas
Ficha técnica
Ficha técnica 86 0532 1121 00005
descargar
Certificado
Certificado UL
descargar
REACH
86 0532 1121 00005
descargar
RoHS
86 0532 1121 00005
descargar
China RoHS
86 0532 1121 00005
descargar
Datos EPLAN
86 0532 1121 00005
descargar
Verificación para descargar
Complete la verificación para continuar con la descarga CAD.
Datos CAD
Elija su formato preferido



