Número de parte: 76 0245 0134 00035-0200
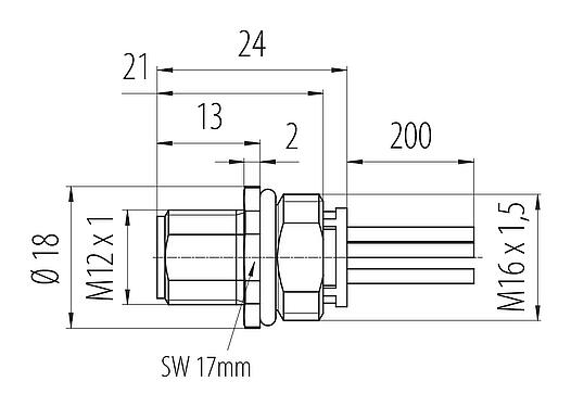
M12 Enchufe de brida, Número de contactos: 5, sin blindaje, hilos, IP68, UL 2238, M16x1,5, Montaje frontal, moldeado
M12-K, serie 824, Tecnología de automatización - voltaje y fuente de alimentación
Características generales
másmenos| Número de parte |
76 0245 0134 00035-0200
Número de parte antiguo: 09 0701 400 05
|
| Aviso |
Tenga en cuenta que, debido al cambio del número de pedido antiguo al nuevo, puede haber desviaciones en las especificaciones técnicas. Si tiene preguntas sobre los detalles del producto, utilice el formulario "Comuníquese con el servicio de atención al cliente" a la derecha.
más |
| Diseño de conector | Enchufe de brida |
| Tipo estándar | DIN EN IEC 61076-2-111:2018-10;VDE 0687-76-2-111:2018-10 |
| Codificación | código K |
| Longitud de cable | 0,2 m (Estándar 0,2 m. Otras longitudes disponibles previa solicitud). |
| Versión | Conector macho recto |
| Sistema de bloqueo de conector | tornillo |
| Terminación | hilos |
| Grado de protección | IP68 |
| Sección de conexión | 2,50 mm² / AWG 14 |
| Rango de temperatura desde / hasta | -40 °C / 85 °C |
| Operacion mecanica | > 100 ciclos de conexión |
| Peso (gr) | 33.91 |
| Número de arancel aduanero | 85369010 |
| País de origen | DE |
Parámetros eléctricos
másmenos| Voltaje nominal | 630 V |
| Voltaje de impulso nominal | 6000 V |
| Corriente nominal (40 ° C) | 12,0 A |
| Resistencia de aislamiento | > 1010 Ω |
| Grado de contaminación | 3 |
| Categoría de sobrevoltaje | III |
| Grupo de materiales | II |
| Cumplimiento de EMV | sin blindaje |
Material
másmenos| Material de la carcasa | CuZn (Latón niquelado) |
| Material del cuerpo de contacto | PA |
| Material de contacto | CuZn (latón) |
| Chapado de contacto | Au (oro) |
| REACH SVHC |
CAS 7439-92-1 (Lead) |
| PFAS presentes | 99db47a8-7bb5-4b8d-84a2-d0fe06445833 |
Datos sobre cables trenzados
másmenos| Estructura del alambre | |
| Sección transversal (mm²) | 5 x 2,50 mm² |
| Sección transversal (AWG) | 5 x AWG 14 |
| Diámetro del cable | 2,8 mm |
| Colores del cable |
amarillo/verde negro |
| Material de la funda | mPPE |
| Material del cable | Cu (enlatado) |
| Estructura del cable | 41 x 0,254 mm |
| Propiedades eléctricas | |
| Tensión nominal | 1000 V |
| Tensión nominal de impulso | 3000 V |
| Resistencia del cable | 8,96 Ω/Km (20°C) |
| Resistencia de aislamiento | 20,0 MΩ/Km (20 °C) |
| Propiedades térmicas | |
| Rango de temperatura del cable en movimiento de / a (°C) | -10 °C / 105 °C |
| Rango de temperatura del cable fijo de / a (°C) | -40 °C / 105 °C |
Autorizaciones / aprobaciones
másmenos| Approvals | UL 2238 |
Clasificaciones
másmenos| eCl@ss 11.1 | 27-44-01-09 |
| ETIM 9.0 | EC003569 |
Aviso general de exención de responsabilidad
- El conector no debe estar enchufado ni estar desenchufado bajo carga. El incumplimiento y el uso inadecuado pueden provocar lesiones personales.
- Los conectores se han desarrollado para aplicaciones en planta de ingeniería, control y construcción de equipos eléctricos. El usuario es responsable de comprobar si los conectores también se pueden utilizar en otras áreas de aplicación.
- Los conectores que se utilizan en circuitos con voltajes peligrosos al tacto sólo pueden ser instalados y utilizados por, o bajo la supervisión de, personas con formación en ingeniería eléctrica, teniendo en cuenta las normativas y normas aplicables.
- El usuario debe tomar las precauciones de seguridad adecuadas para asegurarse de que el conector no pueda desconectarse accidentalmente.
- Los conectores enchufables con protección del recinto IP67 e IP68 no son adecuados para su uso bajo el agua. Cuando se utilizan en exteriores, los conectores enchufables deben protegerse por separado contra la corrosión. Para obtener más información sobre las clases de protección IP, consulte "información técnica" Centro de descargas
- Por favor observe el grado de contaminación y la categoría de sobretensión. Para obtener más información, consulte el centro de descargas "información técnica"
- Para bloquear el conector del cable con el conector del dispositivo, el anillo roscado se aprieta "apretado con la mano"(aprox. 60 cNm).
- En el caso de los conectores de cable con anillo roscado metálico, es imprescindible asegurar la conexión con el contacto de protección PE del conector del aparato. No se permite la conexión de cables entre conectores de aparatos que no estén conectados al contacto PE. El usuario debe garantizar una conexión continua del conductor de protección.
Descargas
Ficha técnica
Ficha técnica 76 0245 0134 00035-0200
descargar
Certificado
Certificado UL
descargar
REACH
76 0245 0134 00035-0200
descargar
RoHS
76 0245 0134 00035-0200
descargar
China RoHS
76 0245 0134 00035-0200
descargar
Verificación para descargar
Complete la verificación para continuar con la descarga CAD.
Datos CAD
Elija su formato preferido



