Número de parte: 09 2472 00 05
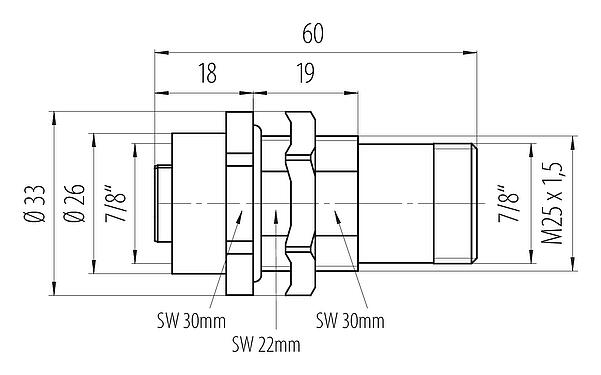
7/8" Casquillo del armario de distribución, Número de contactos: 5, sin blindaje, enchufable, IP67, VDE, Montaje en pared
7/8", serie 820, Tecnología de automatización - voltaje y fuente de alimentación
Este adaptador con bloqueo de tornillo y un número de pines de 5 está de acuerdo con su clase de protección IP67 Estanco al polvo y tiene protección completa contra contacto y protección contra inmersión temporal. Puede ser utilizado en áreas con grado de contaminación 3. En lugares donde pueda ocurrir contaminación conductiva o que pueda volverse conductiva por condensación. Con rangos de temperatura de -25 °C/85 °C, este adaptador de 7/8" sin blindaje está diseñado tanto para frío intenso como para calor extremo y cuenta con la aprobación VDE. Debido a la tensión nominal calificada de 300 V y la corriente nominal de 6,0 A está perfectamente adaptado a su campo de aplicación.
Características generales
másmenos| Número de parte | 09 2472 00 05 |
| Diseño de conector | Casquillo del armario de distribución |
| Versión | Adaptador |
| Sistema de bloqueo de conector | tornillo |
| Terminación | enchufable |
| Grado de protección | IP67 |
| Rango de temperatura desde / hasta | -25 °C / 85 °C |
| Operacion mecanica | > 100 ciclos de conexión |
| Peso (gr) | 122.37 |
| Número de arancel aduanero | 85369010 |
Parámetros eléctricos
másmenos| Voltaje nominal | 300 V (600 V UL) |
| Voltaje de impulso nominal | 4000 V |
| Corriente nominal (40 ° C) | 6,0 A |
| Grado de contaminación | 3 |
| Categoría de sobrevoltaje | III |
| Grupo de materiales | I |
| Cumplimiento de EMV | sin blindaje |
Material
másmenos| Material de la carcasa | Fundición de zinc niquelada |
| Material del cuerpo de contacto | PUR |
| Material de contacto | CuZn (latón) |
| Chapado de contacto | Au (oro) |
| REACH SVHC |
CAS 7439-92-1 (Lead) |
| PFAS presentes | f6c29127-c1a9-4f8e-96d7-3e1be735e103 |
Autorizaciones / aprobaciones
másmenos| Approvals | VDE |
Clasificaciones
másmenos| eCl@ss 11.1 | 27-44-01-09 |
| ETIM 9.0 | EC003569 |
Declaración de conformidad CE
másmenos| Directiva de baja tensión | EN 60529:1991 | EN 60204-1:2018 |
Aviso general de exención de responsabilidad
- El conector no debe estar enchufado ni estar desenchufado bajo carga. El incumplimiento y el uso inadecuado pueden provocar lesiones personales.
- Los conectores se han desarrollado para aplicaciones en planta de ingeniería, control y construcción de equipos eléctricos. El usuario es responsable de comprobar si los conectores también se pueden utilizar en otras áreas de aplicación.
- Los conectores que se utilizan en circuitos con voltajes peligrosos al tacto sólo pueden ser instalados y utilizados por, o bajo la supervisión de, personas con formación en ingeniería eléctrica, teniendo en cuenta las normativas y normas aplicables.
- El usuario debe tomar las precauciones de seguridad adecuadas para asegurarse de que el conector no pueda desconectarse accidentalmente.
- Los conectores enchufables con protección del recinto IP67 e IP68 no son adecuados para su uso bajo el agua. Cuando se utilizan en exteriores, los conectores enchufables deben protegerse por separado contra la corrosión. Para obtener más información sobre las clases de protección IP, consulte "información técnica" Centro de descargas
- Por favor observe el grado de contaminación y la categoría de sobretensión. Para obtener más información, consulte el centro de descargas "información técnica"
- Para bloquear el conector del cable en el conector del dispositivo, recomendamos apretar el anillo roscado a 1,5 Nm. Hay disponible una llave dinamométrica adecuada como accesorio (nº de pedido 07 0082 000).
Descargas
Ficha técnica
Ficha técnica 09 2472 00 05
descargar
Certificado
Certificado VDE
descargar
REACH
09 2472 00 05
descargar
RoHS
09 2472 00 05
descargar
China RoHS
09 2472 00 05
descargar
Declaración de conformidad CE
Directiva de baja tensión
descargar
Declaración de conformidad UNKA
Equipo eléctrico
descargar
Datos EPLAN
09 2472 00 05
descargar
Verificación para descargar
Complete la verificación para continuar con la descarga CAD.
Datos CAD
Elija su formato preferido


