Número de parte: 09 5287 00 08
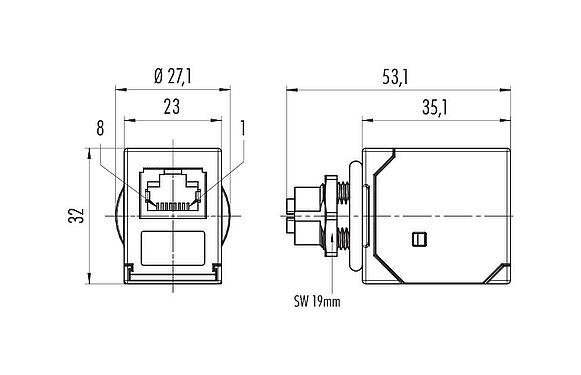
M12 Casquillo del armario de distribución, toma - RJ45 recto, Número de contactos: 8, blindado, enchufable, IP67, UL, Montaje en pared
M12-X, serie 825, Tecnología de automatización - transmisión de datos
Características generales
másmenos| Número de parte | 09 5287 00 08 |
| Diseño de conector | Casquillo del armario de distribución, toma - RJ45 recto |
| Codificación | código X |
| Versión | Casquillo del armario de distribución |
| Sistema de bloqueo de conector | tornillo |
| Terminación | enchufable |
| Grado de protección |
IP67 IP20 |
| Rango de temperatura desde / hasta | -40 °C / 85 °C |
| Operacion mecanica | > 100 ciclos de conexión |
| Peso (gr) | 32.83 |
| Número de arancel aduanero | 85369010 |
| País de origen | DE |
Parámetros eléctricos
másmenos| Voltaje nominal | 50 V (AC) / 60 V (DC) |
| Voltaje de impulso nominal | 800 V |
| Corriente nominal (40 ° C) | 0,5 A |
| Resistencia de aislamiento | > 108 Ω |
| Grado de contaminación | 3 |
| Velocidad de transmisión | CAT 6A |
| Categoría de sobrevoltaje | II |
| Grupo de materiales | III |
| Cumplimiento de EMV | blindado |
Material
másmenos| Material de la carcasa | Latón niquelado / fundición de zinc niquelada |
| Material del cuerpo de contacto | PA |
| Material de contacto | CuSn (bronce) |
| Chapado de contacto | Au (oro) |
| REACH SVHC |
CAS 7439-92-1 (Lead) |
| PFAS presentes | 9b303f9a-9985-4354-9779-b41b68e97169 |
Autorizaciones / aprobaciones
másmenos| Approvals | UL |
Clasificaciones
másmenos| eCl@ss 11.1 | 27-44-01-09 |
| ETIM 9.0 | EC003569 |
Declaración de conformidad CE
másmenos| Directiva RoHS | EN IEC 63000:2018 |
Aviso general de exención de responsabilidad
- El conector no debe estar enchufado ni estar desenchufado bajo carga. El incumplimiento y el uso inadecuado pueden provocar lesiones personales.
- Los conectores se han desarrollado para aplicaciones en planta de ingeniería, control y construcción de equipos eléctricos. El usuario es responsable de comprobar si los conectores también se pueden utilizar en otras áreas de aplicación.
- Los conectores que se utilizan en circuitos con voltajes peligrosos al tacto sólo pueden ser instalados y utilizados por, o bajo la supervisión de, personas con formación en ingeniería eléctrica, teniendo en cuenta las normativas y normas aplicables.
- El usuario debe tomar las precauciones de seguridad adecuadas para asegurarse de que el conector no pueda desconectarse accidentalmente.
- Los conectores enchufables con protección del recinto IP67 e IP68 no son adecuados para su uso bajo el agua. Cuando se utilizan en exteriores, los conectores enchufables deben protegerse por separado contra la corrosión. Para obtener más información sobre las clases de protección IP, consulte "información técnica" Centro de descargas
- Por favor observe el grado de contaminación y la categoría de sobretensión. Para obtener más información, consulte el centro de descargas "información técnica"
- Para bloquear el conector del cable con el conector del dispositivo, el anillo roscado se aprieta "apretado con la mano"(aprox. 60 cNm).
Descargas
Ficha técnica
Ficha técnica 09 5287 00 08
descargar
Certificado
Certificado UL
descargar
REACH
09 5287 00 08
descargar
RoHS
09 5287 00 08
descargar
China RoHS
09 5287 00 08
descargar
Declaración de conformidad CE
Directiva RoHS
descargar
Declaración de conformidad UNKA
UK-RoHS
descargar
Datos EPLAN
09 5287 00 08
descargar
Verificación para descargar
Complete la verificación para continuar con la descarga CAD.
Datos CAD
Elija su formato preferido


