Référencee: 09 2448 180 04
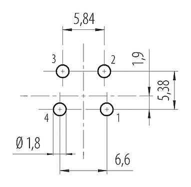
7/8" Embase femelle, Contacts: 4, non blindé, THT, IP68, UL 2238, VDE, Montage mural arrière
7/8", série 820, Technologie d’automatisation - alimentation en tension et électrique
Ce embase femelle avec verrouillage à vis et un nombre de broches de 4 est selon sa classe de protection IP68 Étanche à la poussière et une protection complète contre les contacts. Protection contre l'immersion permanente. Sauf indication contraire, protection jusqu'à 1 mètre de profondeur d'eau. Il peut être utilisé dans des zones avec un degré de pollution de 3. Dans des endroits où il peut y avoir une contamination conductrice ou pouvant devenir conductrice par condensation. Avec des températures allant de -25 °C/85 °C, ce embase femelle non blindé 7/8" est conçu pour le froid intense et la chaleur intense et est homologué UL, VDE. En raison de la tension nominale qualifiée de 300 V (600 V UL) et le courant nominal de 8,0 A, il est parfaitement adapté à son domaine d'application.
Caractéristiques générales
Plusless| Référence | 09 2448 180 04 |
| Design du connecteur | Embase femelle |
| Version | Connecteur femelle droite |
| Verrouillage du connecteur | visser |
| Connexion | THT |
| Indice de protection | IP68 |
| Section de raccordement | 0,75 mm² / AWG 18 |
| Plage de températures de/à | -25 °C / 85 °C |
| Durée de vie mécanique | > 100 Cycles d'accouplement |
| Poids (g) | 61.75 |
| Numéro de tarif douanier | 85369010 |
| Pays d'origine | DE |
Caractéristiques électriques
Plusless| Tension nominale | 300 V (600 V UL) |
| Tension de choc nominale | 4000 V |
| Courant nominal (40 °C) | 8,0 A |
| Degré d’encrassement | 3 |
| Catégorie de surtension | III |
| Groupe de matériau isolant | I |
| Conformité CEM | non blindé |
Matériaux
Plusless| Matériau du boîtier | zinc coulé sous pression nickelé |
| Matériau du corps de contact | PUR |
| Matériau du contact | CuZn (laiton) |
| Revêtement du contact | Au (or) |
| REACH SVHC |
CAS 7439-92-1 (Lead) |
| Numéro SCIP | a475a42d-b2a5-4510-a9f5-bcaae8b539b3 |
Autorisation / approbations
Plusless| Admissions | UL 2238, VDE |
Classifications
Plusless| eCl@ss 11.1 | 27-44-01-09 |
| ETIM 9.0 | EC003569 |
Avis général de non-responsabilité
- Le connecteur ne doit pas être branché ou débranché sous charge. Le non-respect et l'utilisation inappropriée peuvent entraîner des dommages corporels.
- Les connecteurs ont été développés pour des applications dans l'ingénierie des usines, le contrôle et la construction d'équipements électriques. Il incombe à l'utilisateur de vérifier si les connecteurs peuvent également être utilisés dans d'autres domaines d'application.
- Les connecteurs utilisés dans des circuits dont la tension est dangereuse pour le toucher ne peuvent être installés et utilisés que par des personnes ayant une formation en électrotechnique ou sous leur supervision, en tenant compte des réglementations et normes applicables.
- Des précautions de sécurité appropriées doivent être prises par l'utilisateur pour s'assurer que le connecteur ne peut pas être débranché accidentellement.
- Les connecteurs avec une protection de boîtier IP67 et IP68 ne sont pas adaptés à une utilisation sous l'eau. En cas d'utilisation à l'extérieur, les connecteurs doivent être protégés séparément contre la corrosion. Pour plus d'informations sur les degrés de protection IP, veuillez vous référer au centre de téléchargement "Informations techniques.
- Veuillez observer le degré de pollution et la catégorie de surtension. Pour plus d'informations, veuillez vous référer au centre de téléchargement "Informations techniques".
- Pour verrouiller le connecteur de câble avec le connecteur d'appareil, il est recommandé de serrer la bague filetée à 1,5 Nm. Une clé dynamométrique adaptée est disponible en tant qu'accessoire (référence 07 0082 000).
Téléchargements
Fiche technique
Fiche technique 09 2448 180 04
download
Certificats
Certificat UL
download
Certificats
Certificat VDE
download
REACH
09 2448 180 04
download
RoHS
09 2448 180 04
download
China RoHS
09 2448 180 04
download
Données EPLAN
09 2448 180 04
download
Vérification pour le téléchargement
Veuillez terminer la vérification pour poursuivre le téléchargement CAD.
Données CAO
Sélectionner le format souhaité



