Référencee: 86 0639 1000 00044
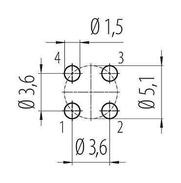
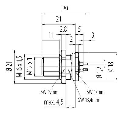
M12 Embase mâle, Contacts: 4, non blindé, THT, IP68, UL 2238, M16x1,5, Montage mural arrière
M12-T, série 813, Technologie d’automatisation - alimentation en tension et électrique
Caractéristiques générales
Plusless| Référence |
86 0639 1000 00044
Référence alternative: 09 0631 90 04
|
| Avis |
Veuillez noter qu’à la suite du passage de l’ancien au nouveau numéro de commande, des écarts sont possibles dans les spécifications techniques. Pour des informations détaillées sur le produit, veuillez utiliser l’option « Contacter le service client » en haut à droite.
Plus |
| Design du connecteur | Embase mâle |
| Norme de conception | DIN EN IEC 61076-2-111:2018-10;VDE 0687-76-2-111:2018-10 |
| Codage | T-codé |
| Version | Connecteur mâle droite |
| Verrouillage du connecteur | visser |
| Connexion | THT |
| Indice de protection | IP68 |
| Section de raccordement | max. 1,50 mm² / AWG 16 |
| Plage de températures de/à | -40 °C / 85 °C |
| Durée de vie mécanique | > 100 Cycles d'accouplement |
| Poids (g) | 14.55 |
| Numéro de tarif douanier | 85369010 |
| Pays d'origine | DE |
Caractéristiques électriques
Plusless| Tension nominale | 63 V |
| Tension de choc nominale | 1500 V |
| Courant nominal (40 °C) | 12,0 A |
| Degré d’encrassement | 3 |
| Catégorie de surtension | III |
| Groupe de matériau isolant | II |
| Conformité CEM | non blindé |
Matériaux
Plusless| Matériau du corps de contact | PA |
| Matériau du contact | CuZn (laiton) |
| Revêtement du contact | Au (or) |
| REACH SVHC |
CAS 7439-92-1 (Lead) |
| Numéro SCIP | ebafe351-7f0b-41a2-97cb-fb21dca4f667 |
Autorisation / approbations
Plusless| Admissions | UL 2238 |
Classifications
Plusless| eCl@ss 11.1 | 27-44-01-09 |
| ETIM 9.0 | EC003569 |
Déclarations de conformité
Plusless| Directive basse tension | 2014/35/EU (EN 60204-1:2018 | 2011/65/EU;EN 50581:2012 | 2014/35/EU;EN 60529:1991) |
| Directive RoHS | 2011/65/EU (EN 50581:2012) |
Avis général de non-responsabilité
- Le connecteur ne doit pas être branché ou débranché sous charge. Le non-respect et l'utilisation inappropriée peuvent entraîner des dommages corporels.
- Les connecteurs ont été développés pour des applications dans l'ingénierie des usines, le contrôle et la construction d'équipements électriques. Il incombe à l'utilisateur de vérifier si les connecteurs peuvent également être utilisés dans d'autres domaines d'application.
- Les connecteurs utilisés dans des circuits dont la tension est dangereuse pour le toucher ne peuvent être installés et utilisés que par des personnes ayant une formation en électrotechnique ou sous leur supervision, en tenant compte des réglementations et normes applicables.
- Des précautions de sécurité appropriées doivent être prises par l'utilisateur pour s'assurer que le connecteur ne peut pas être débranché accidentellement.
- Les connecteurs avec une protection de boîtier IP67 et IP68 ne sont pas adaptés à une utilisation sous l'eau. En cas d'utilisation à l'extérieur, les connecteurs doivent être protégés séparément contre la corrosion. Pour plus d'informations sur les degrés de protection IP, veuillez vous référer au centre de téléchargement "Informations techniques.
- Veuillez observer le degré de pollution et la catégorie de surtension. Pour plus d'informations, veuillez vous référer au centre de téléchargement "Informations techniques".
- Pour verrouiller le connecteur du câble avec le connecteur de l'appareil, la bague filetée est serrée "à la main" (environ 60 cNm).
Téléchargements
Fiche technique
Fiche technique 86 0639 1000 00044
download
Certificats
Certificat UL
download
REACH
86 0639 1000 00044
download
RoHS
86 0639 1000 00044
download
China RoHS
86 0639 1000 00044
download
Déclaration de conformité CE
Directive basse tension
download
Déclaration de conformité UKCA
Équipement électrique
download
Déclaration de conformité CE
Directive RoHS
download
Déclaration de conformité UKCA
UL-RoHS
download
Vérification pour le téléchargement
Veuillez terminer la vérification pour poursuivre le téléchargement CAD.
Données CAO
Sélectionner le format souhaité




