Référencee: 09 0407 00 03
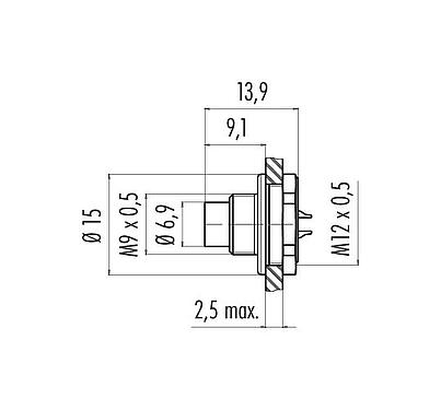
M9 Embase mâle, Contacts: 3, non blindé, souder, IP67, M12x0,5, Montage frontal, coulé
M9 IP67, série 712, Connecteurs subminiatures
Caractéristiques générales
Plusless| Référence | 09 0407 00 03 |
| Design du connecteur | Embase mâle |
| Version | Connecteur mâle droite |
| Verrouillage du connecteur | visser |
| Connexion | souder |
| Indice de protection | IP67 |
| Section de raccordement | 0,25 mm² / AWG 24 |
| Plage de températures de/à | -40 °C / 85 °C |
| Durée de vie mécanique | > 500 Cycles d'accouplement |
| Poids (g) | 5.01 |
| Numéro de tarif douanier | 85369010 |
| Pays d'origine | DE |
Caractéristiques électriques
Plusless| Tension nominale | 125 V |
| Tension de choc nominale | 1500 V |
| Courant nominal (40 °C) | 4,0 A |
| Résistance d'isolation | ≥ 108 Ω |
| Degré d’encrassement | 1 |
| Catégorie de surtension | II |
| Groupe de matériau isolant | III |
| Conformité CEM | non blindé |
Matériaux
Plusless| Matériau du boîtier | CuZn (Laiton, nickelé) |
| Matériau du corps de contact | PA (UL94 V-0) |
| Matériau du contact | CuZn (laiton) |
| Revêtement du contact | Au (or) |
| REACH SVHC |
CAS 7439-92-1 (Lead) |
| Numéro SCIP | 70c988c8-f919-47ca-b57c-3acfbd7fbc99 |
Classifications
Plusless| eCl@ss 11.1 | 27-44-01-09 |
| ETIM 9.0 | EC003569 |
Trade-Compliance
Plusless| Copper (9903.78.01) | 0.001013 kg |
Avis général de non-responsabilité
- Le connecteur ne doit pas être branché ou débranché sous charge. Le non-respect et l'utilisation inappropriée peuvent entraîner des dommages corporels.
- Les connecteurs ont été développés pour des applications dans l'ingénierie des usines, le contrôle et la construction d'équipements électriques. Il incombe à l'utilisateur de vérifier si les connecteurs peuvent également être utilisés dans d'autres domaines d'application.
- Les connecteurs avec une protection de boîtier IP67 et IP68 ne sont pas adaptés à une utilisation sous l'eau. En cas d'utilisation à l'extérieur, les connecteurs doivent être protégés séparément contre la corrosion. Pour plus d'informations sur les degrés de protection IP, veuillez vous référer au centre de téléchargement "Informations techniques.
Téléchargements
Fiche technique
Fiche technique 09 0407 00 03
download
REACH
09 0407 00 03
download
RoHS
09 0407 00 03
download
China RoHS
09 0407 00 03
download
Données EPLAN
09 0407 00 03
download
Vérification pour le téléchargement
Veuillez terminer la vérification pour poursuivre le téléchargement CAD.
Données CAO
Sélectionner le format souhaité



