Référencee: 09 0119 90 05
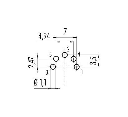
M16 Embase mâle, Contacts: 5 (05-b), non blindé, THT, IP67, UL 2238, M18x0,75, Montage mural arrière
M16 IP67, série 723, Connecteurs miniatures
Caractéristiques générales
Plusless| Référence | 09 0119 90 05 |
| Design du connecteur | Embase mâle |
| Norme de conception | DIN EN 61076-2-106 |
| Version | Connecteur mâle droite |
| Verrouillage du connecteur | visser |
| Connexion | THT |
| Indice de protection | IP67 |
| Plage de températures de/à | -40 °C / 95 °C |
| Durée de vie mécanique | > 500 Cycles d'accouplement |
| Poids (g) | 12.53 |
| Numéro de tarif douanier | 85369010 |
| Pays d'origine | DE |
Caractéristiques électriques
Plusless| Tension nominale | 60 V |
| Tension de choc nominale | 500 V |
| Courant nominal (40 °C) | 6,0 A |
| Résistance d'isolation | ≥ 1010 Ω |
| Degré d’encrassement | 1 |
| Catégorie de surtension | I |
| Groupe de matériau isolant | III |
| Conformité CEM | non blindé |
Matériaux
Plusless| Matériau du boîtier | zinc coulé sous pression nickelé |
| Matériau du corps de contact | PBT (UL94 V-0) |
| Matériau du contact | CuZn (laiton) |
| Revêtement du contact | Ag (argent) |
| REACH SVHC |
CAS 7439-92-1 (Lead) |
| Numéro SCIP | 84ec4545-1ea0-4d77-9b74-28275c605993 |
Autorisation / approbations
Plusless| Admissions | UL 2238 |
Classifications
Plusless| ETIM 9.0 | EC003569 |
Trade-Compliance
Plusless| Copper (9903.78.01) | 0.003482 kg |
Avis général de non-responsabilité
- Le connecteur ne doit pas être branché ou débranché sous charge. Le non-respect et l'utilisation inappropriée peuvent entraîner des dommages corporels.
- Les connecteurs ont été développés pour des applications dans l'ingénierie des usines, le contrôle et la construction d'équipements électriques. Il incombe à l'utilisateur de vérifier si les connecteurs peuvent également être utilisés dans d'autres domaines d'application.
- Les connecteurs utilisés dans des circuits dont la tension est dangereuse pour le toucher ne peuvent être installés et utilisés que par des personnes ayant une formation en électrotechnique ou sous leur supervision, en tenant compte des réglementations et normes applicables.
- Les connecteurs avec une protection de boîtier IP67 et IP68 ne sont pas adaptés à une utilisation sous l'eau. En cas d'utilisation à l'extérieur, les connecteurs doivent être protégés séparément contre la corrosion. Pour plus d'informations sur les degrés de protection IP, veuillez vous référer au centre de téléchargement "Informations techniques.
- Veuillez observer le degré de pollution et la catégorie de surtension. Pour plus d'informations, veuillez vous référer au centre de téléchargement "Informations techniques".
- Pour verrouiller le connecteur du câble avec le connecteur de l'appareil, la bague filetée est serrée "à la main" (environ 60 cNm).
Téléchargements
Fiche technique
Fiche technique 09 0119 90 05
download
Certificats
Certificat UL
download
REACH
09 0119 90 05
download
RoHS
09 0119 90 05
download
China RoHS
09 0119 90 05
download
Données EPLAN
09 0119 90 05
download
Vérification pour le téléchargement
Veuillez terminer la vérification pour poursuivre le téléchargement CAD.
Données CAO
Sélectionner le format souhaité




