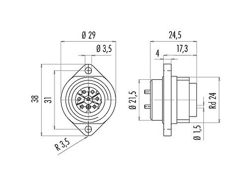
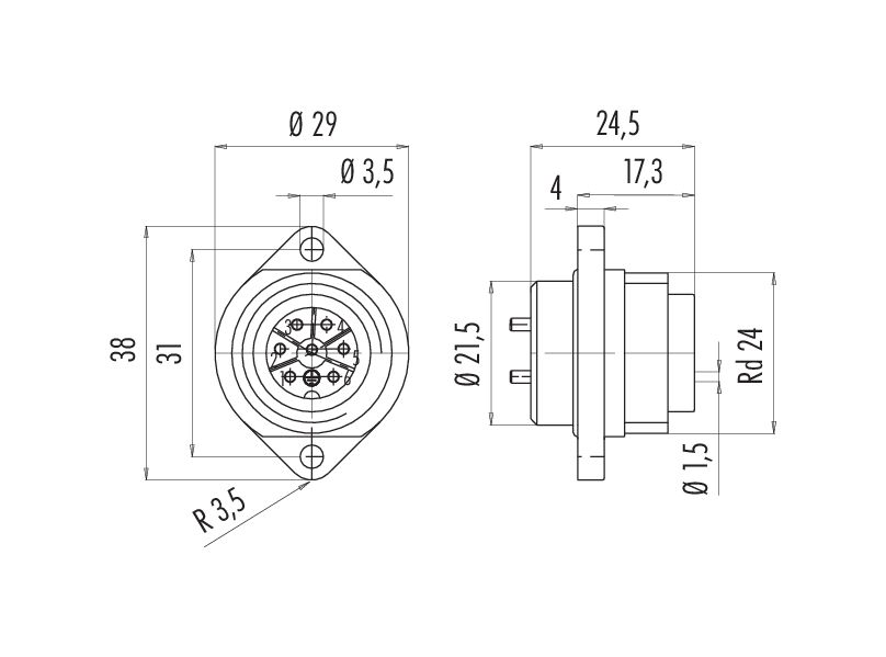
Référencee: 09 0215 00 07
RD24 Embase mâle, Contacts: 6+PE, non blindé, souder, IP67
RD24, série 692, Connecteurs d‘alimentation
Caractéristiques générales
Plusless| Référence | 09 0215 00 07 |
| Design du connecteur | Embase mâle |
| Version | Connecteur mâle droite |
| Verrouillage du connecteur | visser |
| Connexion | souder |
| Indice de protection | IP67 |
| Section de raccordement | max. 0,75 mm² / AWG 18 |
| Plage de températures de/à | -40 °C / 100 °C |
| Durée de vie mécanique | > 500 Cycles d'accouplement |
| Poids (g) | 15.19 |
| Numéro de tarif douanier | 85369010 |
| Pays d'origine | DE |
Caractéristiques électriques
Plusless| Tension nominale | 250 V |
| Tension de choc nominale | 4000 V |
| Courant nominal (40 °C) | 10,0 A |
| Résistance d'isolation | ≥ 1010 Ω |
| Degré d’encrassement | 3 |
| Catégorie de surtension | III |
| Groupe de matériau isolant | III |
| Conformité CEM | non blindé |
Matériaux
Plusless| Matériau du corps de contact | PBT |
| Matériau du contact | CuZn (laiton) |
| Revêtement du contact | Ag (argent) |
| REACH SVHC |
CAS 7439-92-1 (Lead) |
| Numéro SCIP | 996a7b9f-752f-4a61-9676-96593fcde632 |
Classifications
Plusless| eCl@ss 11.1 | 27-44-01-09 |
| ETIM 9.0 | EC003569 |
Trade-Compliance
Plusless| Copper (9903.78.01) | 0.005570 kg |
Avis général de non-responsabilité
- Le connecteur ne doit pas être branché ou débranché sous charge. Le non-respect et l'utilisation inappropriée peuvent entraîner des dommages corporels.
- Les connecteurs ont été développés pour des applications dans l'ingénierie des usines, le contrôle et la construction d'équipements électriques. Il incombe à l'utilisateur de vérifier si les connecteurs peuvent également être utilisés dans d'autres domaines d'application.
- Les connecteurs utilisés dans des circuits dont la tension est dangereuse pour le toucher ne peuvent être installés et utilisés que par des personnes ayant une formation en électrotechnique ou sous leur supervision, en tenant compte des réglementations et normes applicables.
- Des précautions de sécurité appropriées doivent être prises par l'utilisateur pour s'assurer que le connecteur ne peut pas être débranché accidentellement.
- Veuillez observer le degré de pollution et la catégorie de surtension. Pour plus d'informations, veuillez vous référer au centre de téléchargement "Informations techniques".
Téléchargements
Fiche technique
Fiche technique 09 0215 00 07
download
REACH
09 0215 00 07
download
RoHS
09 0215 00 07
download
China RoHS
09 0215 00 07
download
Données EPLAN
09 0215 00 07
download
Vérification pour le téléchargement
Veuillez terminer la vérification pour poursuivre le téléchargement CAD.
Données CAO
Sélectionner le format souhaité



