Référencee: 99 3431 202 04
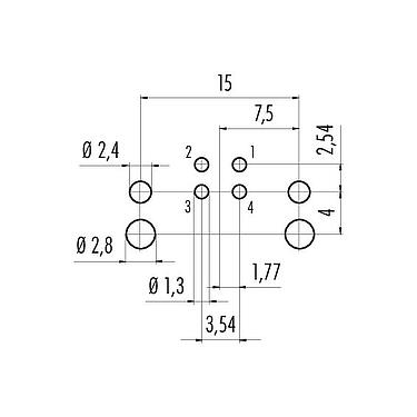
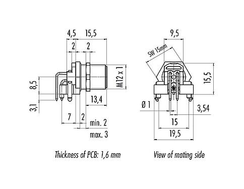
M12 Embase mâle, coudé, Contacts: 4, non blindé, THR, IP68, UL 2238, Montage mural arrière, pour assemblage PCB, conception en deux parties
M12-A, série 763, Technologie d’automatisation - capteurs et actionneurs
Caractéristiques générales
Plusless| Référence | 99 3431 202 04 |
| Design du connecteur | Embase mâle, coudé |
| Norme de conception | DIN EN 61076-2-101 |
| Codage | A-codé |
| Version | Connecteur d‘angle mâle |
| Verrouillage du connecteur | visser |
| Connexion | THR |
| Indice de protection | IP68 |
| Plage de températures de/à | -40 °C / 85 °C |
| Durée de vie mécanique | > 100 Cycles d'accouplement |
| Poids (g) | 8.14 |
| Numéro de tarif douanier | 85369010 |
| Pays d'origine | HU |
Caractéristiques électriques
Plusless| Tension nominale | 250 V |
| Tension de choc nominale | 2500 V |
| Courant nominal (40 °C) | 4 A (3 A UL) |
| Résistance d'isolation | > 108 Ω |
| Degré d’encrassement | 3 |
| Groupe de matériau isolant | III |
| Conformité CEM | non blindé |
Matériaux
Plusless| Matériau du boîtier | CuZn (Laiton, nickelé) |
| Matériau du corps de contact | PA |
| Matériau du contact | CuZn (laiton) |
| Revêtement du contact | Au (or) |
| Matériel de verrouillage | CuZn (laiton) |
| REACH SVHC |
CAS 7439-92-1 (Lead) |
| Numéro SCIP | bbfdb955-7d8b-4203-a26f-238b6f8eaddd |
Autorisation / approbations
Plusless| Admissions | UL 2238 |
Avis général de non-responsabilité
- Le connecteur ne doit pas être branché ou débranché sous charge. Le non-respect et l'utilisation inappropriée peuvent entraîner des dommages corporels.
- Les connecteurs ont été développés pour des applications dans l'ingénierie des usines, le contrôle et la construction d'équipements électriques. Il incombe à l'utilisateur de vérifier si les connecteurs peuvent également être utilisés dans d'autres domaines d'application.
- Pour éviter l'ouverture involontaire du connecteur, lorsqu'il est utilisé dans des circuits dont la tension est dangereuse au toucher, le fil entre le boîtier et la tête du connecteur doit être fixé avec un adhésif cyanoacrylate approprié. Ceci ne s'applique pas aux connecteurs utilisés dans les circuits SELV et PELV selon la norme IEC 61140 (EN 61140, VDE 0140-1).
- Les connecteurs utilisés dans des circuits dont la tension est dangereuse pour le toucher ne peuvent être installés et utilisés que par des personnes ayant une formation en électrotechnique ou sous leur supervision, en tenant compte des réglementations et normes applicables.
- Des précautions de sécurité appropriées doivent être prises par l'utilisateur pour s'assurer que le connecteur ne peut pas être débranché accidentellement.
- Les connecteurs avec une protection de boîtier IP67 et IP68 ne sont pas adaptés à une utilisation sous l'eau. En cas d'utilisation à l'extérieur, les connecteurs doivent être protégés séparément contre la corrosion. Pour plus d'informations sur les degrés de protection IP, veuillez vous référer au centre de téléchargement "Informations techniques.
- Pour verrouiller le connecteur du câble avec le connecteur de l'appareil, la bague filetée est serrée "à la main" (environ 60 cNm).
- L'utilisateur doit prendre les mesures de sécurité appropriées pour s'assurer que le connecteur ne peut pas être accidentellement débranché. En outre, l'utilisateur doit s'assurer que le câble est correctement fixé.
Téléchargements
Fiche technique
Fiche technique 99 3431 202 04
download
Certificats
Certificat UL
download
REACH
99 3431 202 04
download
RoHS
99 3431 202 04
download
China RoHS
99 3431 202 04
download
Données EPLAN
99 3431 202 04
download
Vérification pour le téléchargement
Veuillez terminer la vérification pour poursuivre le téléchargement CAD.
Données CAO
Sélectionner le format souhaité




