Référencee: 86 6319 1121 00004
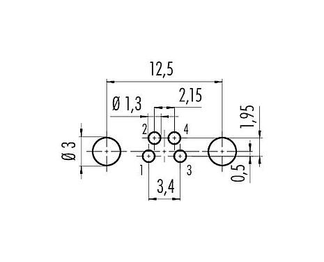
M8 Embase mâle, Contacts: 4, blindable, THT, IP67, UL 2238, M8x1,0, Montage mural arrière, coulé
M8, série 718, Technologie d’automatisation - capteurs et actionneurs
Caractéristiques générales
Plusless| Référence |
86 6319 1121 00004
Référence alternative: 09 3421 82 04
|
| Avis |
Veuillez noter qu’à la suite du passage de l’ancien au nouveau numéro de commande, des écarts sont possibles dans les spécifications techniques. Pour des informations détaillées sur le produit, veuillez utiliser l’option « Contacter le service client » en haut à droite.
Plus |
| Design du connecteur | Embase mâle |
| Norme de conception | DIN EN 61076-2-104 |
| Codage | A-codé |
| Version | Connecteur d‘angle mâle |
| Verrouillage du connecteur | visser/claquement |
| Connexion | THT |
| Indice de protection | IP67 |
| Plage de températures de/à | -40 °C / 85 °C |
| Durée de vie mécanique | > 100 Cycles d'accouplement |
| Poids (g) | 4.97 |
| Numéro de tarif douanier | 85369010 |
| Pays d'origine | DE |
Caractéristiques électriques
Plusless| Tension nominale | 50 V (AC) / 60 V (DC) |
| Tension de choc nominale | 800 V |
| Courant nominal (40 °C) | 4,0 A |
| Degré d’encrassement | 3 |
| Catégorie de surtension | II |
| Groupe de matériau isolant | II |
| Conformité CEM | blindable |
| Raccordement du blindage | Plaque de protection |
Matériaux
Plusless| Matériau du boîtier | zinc coulé sous pression nickelé |
| Matériau du corps de contact | PA noir |
| Matériau du contact | CuZn (laiton) |
| Revêtement du contact | Au (or) |
| REACH SVHC |
CAS 7439-92-1 (Lead) |
| Numéro SCIP | 584d34d7-0071-4822-90bc-e543b5f198ee |
Autorisation / approbations
Plusless| Admissions | UL 2238 |
Classifications
Plusless| eCl@ss 11.1 | 27-44-01-09 |
| ETIM 9.0 | EC003569 |
Avis général de non-responsabilité
- Le connecteur ne doit pas être branché ou débranché sous charge. Le non-respect et l'utilisation inappropriée peuvent entraîner des dommages corporels.
- Les connecteurs ont été développés pour des applications dans l'ingénierie des usines, le contrôle et la construction d'équipements électriques. Il incombe à l'utilisateur de vérifier si les connecteurs peuvent également être utilisés dans d'autres domaines d'application.
- Les connecteurs utilisés dans des circuits dont la tension est dangereuse pour le toucher ne peuvent être installés et utilisés que par des personnes ayant une formation en électrotechnique ou sous leur supervision, en tenant compte des réglementations et normes applicables.
- Des précautions de sécurité appropriées doivent être prises par l'utilisateur pour s'assurer que le connecteur ne peut pas être débranché accidentellement.
- Les connecteurs avec une protection de boîtier IP67 et IP68 ne sont pas adaptés à une utilisation sous l'eau. En cas d'utilisation à l'extérieur, les connecteurs doivent être protégés séparément contre la corrosion. Pour plus d'informations sur les degrés de protection IP, veuillez vous référer au centre de téléchargement "Informations techniques.
- Veuillez observer le degré de pollution et la catégorie de surtension. Pour plus d'informations, veuillez vous référer au centre de téléchargement "Informations techniques".
- Pour verrouiller le connecteur du câble avec le connecteur de l'appareil, la bague filetée est serrée "à la main" (environ 50 cNm).
Téléchargements
Fiche technique
Fiche technique 86 6319 1121 00004
download
Certificats
Certificat UL
download
REACH
86 6319 1121 00004
download
RoHS
86 6319 1121 00004
download
China RoHS
86 6319 1121 00004
download
Données EPLAN
86 6319 1121 00004
download
Vérification pour le téléchargement
Veuillez terminer la vérification pour poursuivre le téléchargement CAD.
Données CAO
Sélectionner le format souhaité



