General features
Moreless| Part no. | 08 3128 000 000 |
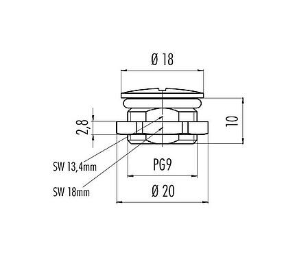
| Connector design | Blind plug / Dummy plug |
| Degree of protection | IP67 |
| Temperature range | -40 °C/+85 °C |
| Weight (g) | 18.06 |
| Customs tariff number | 85366990 |
| Country of Origin | DE |
Material
Moreless| REACH SVHC |
CAS 7439-92-1 (Lead) |
| SCIP number | 62c7ea24-82e3-4345-a76d-e319ffd991f1 |
| Material | CuZnNi |
Classifications
Moreless| eCl@ss 11.1 | 27-44-02-08 |
| ETIM 9.0 | EC002314 |
General Disclaim Notice
- The user must take suitable safety precautions to ensure that the connector cannot be accidentally disconnected.

