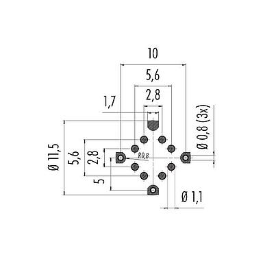
Part no.: 99 3782 401 08
M12 Female panel mount connector, Contacts: 8, shieldable, SMT, IP68, M14x1.0, Rear mounting
M12-X, series 876, Automation Technology - Data Transmission
This female panel mount connector with screw locking and a pin count of 8 is according to its protection class IP68 Dustproof and complete protection against contact. Protection against permanent submersion. Unless otherwise specified, protection up to 1 meter water depth. It can be used in areas with a pollution degree of 3. In places where contamination can occur that is conductive or can become conductive through condensation. With temperatures ranges of -40 °C/85 °C is this shieldable M12-X female panel mount connector designed for both severe cold and severe heat. und has the UL approval. Due to the qualified rated voltage of 50 V (AC ) / 60 V (DC) and the rated current of 0,5 A it is perfectly tuned for its field of application. It complies with the type standard DIN EN 61076-2-109.
General features
Moreless| Part no. | 99 3782 401 08 |
| Connector design | Female panel mount connector |
| Type standard | DIN EN 61076-2-109 |
| Coding | X-coded |
| Version | Connector socket straight |
| Connector locking system | screw |
| Termination | SMT |
| Degree of protection | IP68 |
| Temperature range from/to | -40 °C / 85 °C |
| Mechanical operation | > 100 Mating cycles |
| Installation height | 9 |
| Weight (g) | 8.09 |
| Customs tariff number | 85369010 |
| Country of Origin | DE |
Electrical parameters
Moreless| Rated voltage | 50 V (AC) / 60 V (DC) |
| Rated current | 0.5 A |
| Insulation resistance | > 108 Ω |
| Pollution degree | 3 |
| Transmission rate | CAT 6A |
| Overvoltage category | II |
| Insulating material group | III |
| EMC compliance | shieldable |
| Shield connection | Shielding plate |
Material
Moreless| Housing material | PUR |
| Contact body material | PA |
| Contact material | CuSn (bronze) |
| Contact plating | Au (gold) |
| Locking material | CuZn (brass) |
| REACH SVHC |
CAS 7439-92-1 (Lead) |
| SCIP number | 71920608-87c9-4b74-ae03-a9b1ca88a9de |
Classifications
Moreless| eCl@ss 11.1 | 27-44-01-02 |
| ETIM 9.0 | EC002635 |
General Disclaim Notice
- The connector must not be plugged or unplugged under load. Non-observance and improper use can result in personal injury.
- The connectors have been developed for applications in plant engineering, control and electrical equipment construction. The user is responsible for checking whether the connectors can also be used in other areas of application.
- Connectors which are used in circuits with voltages dangerous to the touch may only be installed and used by, or under the supervision of, persons with electrical engineering training, taking into account the applicable regulations and standards.
- The user must take suitable safety precautions to ensure that the connector cannot be accidentally disconnected.
- Plug connectors with enclosure protection IP67 and IP68 are not suitable for use under water. When used outdoors, the plug connectors must be protected separately against corrosion. For further information on the IP protection classes, please refer to the "Technical Information" download centre.
- Please observe the pollution degree and the overvoltage category. For further information, please refer to the download center "Technical Information".
- To lock the cable connector with the device connector, the threaded ring is tightened "hand-tight" (approx. 60 cNm).
Downloads
Data sheet
Data sheet 99 3782 401 08
download
REACH
99 3782 401 08
download
RoHS
99 3782 401 08
download
China RoHS
99 3782 401 08
download
EPLAN data
99 3782 401 08
download
Verify to download
Please complete the verification to proceed with the CAD download.
CAD files
Select required format




