Part no.: 09 2450 330 05
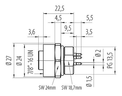
7/8" Female panel mount connector, Contacts: 4+PE, unshielded, THT, IP68, UL 2238, VDE, Front mounting
7/8", series 820, Automation Technology - Voltage and Power Supply
This female panel mount connector with screw locking and a pin count of 4+PE is according to its protection class IP68 Dustproof and complete protection against contact. Protection against permanent submersion. Unless otherwise specified, protection up to 1 meter water depth. It can be used in areas with a pollution degree of 3. In places where contamination can occur that is conductive or can become conductive through condensation. With temperatures ranges of -25 °C/85 °C is this unshielded 7/8" female panel mount connector designed for both severe cold and severe heat and has the UL, VDE approval. Due to the qualified rated voltage of 300 V (600 V UL) and the rated current of 8,0 A it is perfectly tuned for its field of application.
General features
Moreless| Part no. | 09 2450 330 05 |
| Connector design | Female panel mount connector |
| Version | Connector socket straight |
| Connector locking system | screw |
| Termination | THT |
| Degree of protection | IP68 |
| Connection cross-section | 0.75 mm² / AWG 18 |
| Temperature range from/to | -25 °C / 85 °C |
| Mechanical operation | > 100 Mating cycles |
| Weight (g) | 35.00 |
| Customs tariff number | 85369010 |
| Country of Origin | DE |
Electrical parameters
Moreless| Rated voltage | 300 V (600 V UL) |
| Rated impulse voltage | 4000 V |
| Rated current | 8.0 A |
| Pollution degree | 3 |
| Overvoltage category | III |
| Insulating material group | I |
| EMC compliance | unshielded |
Material
Moreless| Housing material | Zinc die-cast nickel-plated |
| Contact body material | PUR |
| Contact material | CuZn (brass) |
| Contact plating | Au (gold) |
| REACH SVHC |
CAS 7439-92-1 (Lead) |
| SCIP number | 3554efe9-73eb-493c-b9a2-22ee137931cc |
Authorization/approvals
Moreless| Approvals | UL 2238, VDE |
Classifications
Moreless| eCl@ss 11.1 | 27-44-01-09 |
| ETIM 9.0 | EC003569 |
General Disclaim Notice
- The connector must not be plugged or unplugged under load. Non-observance and improper use can result in personal injury.
- The connectors have been developed for applications in plant engineering, control and electrical equipment construction. The user is responsible for checking whether the connectors can also be used in other areas of application.
- Connectors which are used in circuits with voltages dangerous to the touch may only be installed and used by, or under the supervision of, persons with electrical engineering training, taking into account the applicable regulations and standards.
- The user must take suitable safety precautions to ensure that the connector cannot be accidentally disconnected.
- Plug connectors with enclosure protection IP67 and IP68 are not suitable for use under water. When used outdoors, the plug connectors must be protected separately against corrosion. For further information on the IP protection classes, please refer to the "Technical Information" download centre.
- Please observe the pollution degree and the overvoltage category. For further information, please refer to the download center "Technical Information".
- To lock the cable connector to the device connector, we recommend tightening the threaded ring to 1.5 Nm. A suitable torque wrench is available as an accessory (order no. 07 0082 000).
Downloads
Data sheet
Data sheet 09 2450 330 05
download
Certificates
UL certificate
download
Certificates
VDE certificate
download
REACH
09 2450 330 05
download
RoHS
09 2450 330 05
download
China RoHS
09 2450 330 05
download
EPLAN data
09 2450 330 05
download
Verify to download
Please complete the verification to proceed with the CAD download.
CAD files
Select required format


