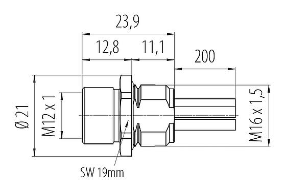
Part no.: 76 0246 0134 00065-0200
M12 Female panel mount connector, Contacts: 4+PE, unshielded, single wires, IP68, M16x1.5, Front mounting, UL 2237 in preparation
M12-K, series 824, Automation Technology - Voltage and Power Supply
General features
Moreless| Part no. |
76 0246 0134 00065-0200
Alternative part no.: 09 0702 37 05
|
| Connector design | Female panel mount connector |
| Coding | K-coded |
| Wire length | 0.2 m (Standard 0.2m. Other lengths are available on request). |
| Version | Connector socket straight |
| Connector locking system | screw |
| Termination | single wires |
| Degree of protection | IP68 |
| Connection cross-section | 2.50 mm² / AWG 14 |
| Temperature range from/to | -40 °C / 85 °C |
| Mechanical operation | > 100 Mating cycles |
| Weight (g) | 41.97 |
| Customs tariff number | 85369010 |
| Country of Origin | DE |
Electrical parameters
Moreless| Rated voltage | 630 V |
| Rated impulse voltage | 6000 V |
| Rated current | 12.0 A |
| Insulation resistance | > 1010 Ω |
| Pollution degree | 3 |
| Overvoltage category | III |
| Insulating material group | I |
| EMC compliance | unshielded |
Material
Moreless| Housing material | Zinc die-cast nickel-plated |
| Contact body material | PA |
| Contact material | CuZn (brass) |
| Contact plating | Au (gold) |
| REACH SVHC |
None (No pollutants) |
| SCIP number | SCIP-number not available |
Wire Data
Moreless| Structure of the wire | |
| Cross section (mm²) | 5 x 2,50 mm² |
| Cross section (AWG) | 5 x AWG 14 |
| Wire diameter | 2,8 mm |
| Wire colors |
yellow/green black |
| Sheath material | mPPE |
| Wire material | Cu (tinned) |
| Wire structure | 41 x 0.254 mm |
| Electrical properties | |
| Rated voltage | 1000 V |
| Rated impulse voltage | 3000 V |
| Wire resistance | 8,96 Ω/Km (20°C) |
| Insulation resistance | 20.0 MΩ/Km (20 °C) |
| Thermal properties | |
| Temperature range wire in move from / to (°C) | -10 °C / 105 °C |
| Temperature range wire fixed from / to (°C) | -40 °C / 105 °C |
Classifications
Moreless| ETIM 9.0 | EC003569 |
General Disclaim Notice
- The connector must not be plugged or unplugged under load. Non-observance and improper use can result in personal injury.
- The connectors have been developed for applications in plant engineering, control and electrical equipment construction. The user is responsible for checking whether the connectors can also be used in other areas of application.
- Connectors which are used in circuits with voltages dangerous to the touch may only be installed and used by, or under the supervision of, persons with electrical engineering training, taking into account the applicable regulations and standards.
- The user must take suitable safety precautions to ensure that the connector cannot be accidentally disconnected.
- Plug connectors with enclosure protection IP67 and IP68 are not suitable for use under water. When used outdoors, the plug connectors must be protected separately against corrosion. For further information on the IP protection classes, please refer to the "Technical Information" download centre.
- Please observe the pollution degree and the overvoltage category. For further information, please refer to the download center "Technical Information".
- To lock the cable connector with the device connector, the threaded ring is tightened "hand-tight" (approx. 60 cNm).
- In the case of cable connectors with a metal threaded ring, it is imperative to ensure a connection with the PE protective contact of the appliance connector. Connecting cables between appliance connectors that are not connected to the PE contact are not permitted. The user must ensure a continuous connection of the protective earth conductor.
Downloads
Data sheet
Data sheet 76 0246 0134 00065-0200
download
REACH
76 0246 0134 00065-0200
download
RoHS
76 0246 0134 00065-0200
download
China RoHS
76 0246 0134 00065-0200
download
Verify to download
Please complete the verification to proceed with the CAD download.
CAD files
Select required format


