Part no.: 76 0642 1136 00034-0200
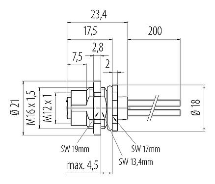
M12 Female panel mount connector, Contacts: 4, unshielded, single wires, IP68, UL 2238, M16x1.5, Rear mounting
M12-S, series 814, Automation Technology - Voltage and Power Supply
This female panel mount connector with screw locking and a pin count of 3+PE is according to its protection class IP68 Dustproof and complete protection against contact. Protection against permanent submersion. Unless otherwise specified, protection up to 1 meter water depth. It can be used in areas with a pollution degree of 3. In places where contamination can occur that is conductive or can become conductive through condensation. With temperatures ranges of -40 °C/85 °C is this unshielded M12-S female panel mount connector designed for both severe cold and severe heat and has the UL, VDE approval. Due to the qualified rated voltage of 630 V and the rated current of 12,0 A it is perfectly tuned for its field of application. It complies with the type standard DIN EN IEC 61076-2-111:2018-10 and VDE 0687-76-2-111:2018-10.
General features
Moreless| Part no. |
76 0642 1136 00034-0200
Alternative part no.: 09 0692 121 04
|
| Notice |
Please note that, due to the change from the old to the new order number, there may be deviations in the technical specifications. For questions about product details, please use the ‘Contact Customer Service’ form on the right.
More |
| Connector design | Female panel mount connector |
| Type standard | DIN EN IEC 61076-2-111:2018-10;VDE 0687-76-2-111:2018-10 |
| Coding | S-coded |
| Wire length | 0.2 m (Standard 0.2m. Other lengths are available on request). |
| Version | Connector socket straight |
| Connector locking system | screw |
| Termination | single wires |
| Degree of protection | IP68 |
| Connection cross-section | 1.50 mm² / AWG 16 |
| Temperature range from/to | -40 °C / 85 °C |
| Mechanical operation | > 100 Mating cycles |
| Weight (g) | 26.62 |
| Customs tariff number | 85369010 |
| Country of Origin | DE |
Electrical parameters
Moreless| Rated voltage | 630 V |
| Rated impulse voltage | 6000 V |
| Rated current | 12.0 A |
| Pollution degree | 3 |
| Overvoltage category | III |
| Insulating material group | II |
| EMC compliance | unshielded |
Material
Moreless| Housing material | Zinc die-cast nickel-plated |
| Contact body material | PA |
| Contact material | CuSn (bronze) |
| Contact plating | Au (gold) |
| REACH SVHC |
CAS 7439-92-1 (Lead) |
| SCIP number | daeba3c8-4e0a-427c-9d5a-bf54884501e4 |
Wire Data
Moreless| Structure of the wire | |
| Cross section (mm²) | 4 x 1.50 mm² |
| Cross section (AWG) | 4 x AWG 16 |
| Wire diameter | 2,3 mm |
| Wire colors |
yellow/green black |
| Sheath material | mPPE |
| Wire material | Cu (tinned) |
| Wire structure | 40 x 0.210 mm |
| Electrical properties | |
| Rated voltage | 1000 V |
| Rated impulse voltage | 3000 V |
| Wire resistance | 14,6 Ω/Km (20°C) |
| Insulation resistance | 20.0 MΩ/Km (20 °C) |
| Thermal properties | |
| Temperature range wire in move from / to (°C) | -10 °C / 105 °C |
| Temperature range wire fixed from / to (°C) | -40 °C / 105 °C |
Authorization/approvals
Moreless| Approvals | UL 2238 |
Classifications
Moreless| eCl@ss 11.1 | 27-44-01-09 |
| ETIM 9.0 | EC003569 |
General Disclaim Notice
- The connector must not be plugged or unplugged under load. Non-observance and improper use can result in personal injury.
- The connectors have been developed for applications in plant engineering, control and electrical equipment construction. The user is responsible for checking whether the connectors can also be used in other areas of application.
- Connectors which are used in circuits with voltages dangerous to the touch may only be installed and used by, or under the supervision of, persons with electrical engineering training, taking into account the applicable regulations and standards.
- The user must take suitable safety precautions to ensure that the connector cannot be accidentally disconnected.
- Plug connectors with enclosure protection IP67 and IP68 are not suitable for use under water. When used outdoors, the plug connectors must be protected separately against corrosion. For further information on the IP protection classes, please refer to the "Technical Information" download centre.
- Please observe the pollution degree and the overvoltage category. For further information, please refer to the download center "Technical Information".
- To lock the cable connector with the device connector, the threaded ring is tightened "hand-tight" (approx. 60 cNm).
- In the case of cable connectors with a metal threaded ring, it is imperative to ensure a connection with the PE protective contact of the appliance connector. Connecting cables between appliance connectors that are not connected to the PE contact are not permitted. The user must ensure a continuous connection of the protective earth conductor.
Downloads
Data sheet
Data sheet 76 0642 1136 00034-0200
download
Certificates
UL certificate
download
REACH
76 0642 1136 00034-0200
download
RoHS
76 0642 1136 00034-0200
download
China RoHS
76 0642 1136 00034-0200
download
Verify to download
Please complete the verification to proceed with the CAD download.
CAD files
Select required format



