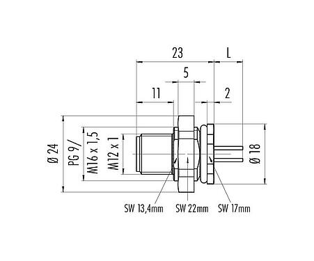
Part no.: 76 4731 3111 00012-0200
M12 Male panel mount connector, Contacts: 12, unshielded, single wires, IP67, M16x1.5, Rear mounting, potted
M12-A, series 763, Automation Technology - Sensors and Actuators
This male panel mount connector with screw locking and a pin count of 12 is according to its protection class IP67 Dust-tight and has complete protection against contact and protection against temporary immersion. It can be used in areas with a pollution degree of 3. In places where contamination can occur that is conductive or can become conductive through condensation. With temperatures ranges of -40 °C/85 °C is this unshielded M12-A coded male panel mount connector designed for both severe cold and severe heat. und has the UL approval. Due to the qualified rated voltage of 30 V and the rated current of 2 A (UL 1,5 A) it is perfectly tuned for its field of application. It complies with the type standard DIN EN 61076-2-101.
General features
Moreless| Part no. | 76 4731 3111 00012-0200 |
| Connector design | Male panel mount connector |
| Type standard | DIN EN 61076-2-101 |
| Coding | A-coded |
| Wire length | 0.2 m (Standard 0.2m. Other lengths are available on request). |
| Version | Connector pin straight |
| Connector locking system | screw |
| Termination | single wires |
| Degree of protection | IP67 |
| Connection cross-section | 0.14 mm² / AWG 26 |
| Temperature range from/to | -40 °C / 85 °C |
| Mechanical operation | > 100 Mating cycles |
| Weight (g) | 11.685 |
| Customs tariff number | 85369010 |
| Country of Origin | DE |
Electrical parameters
Moreless| Rated voltage | 30 V |
| Rated impulse voltage | 800 V |
| Rated current | 2 A (UL 1.5 A) |
| Insulation resistance | > 108 Ω |
| Pollution degree | 3 |
| Overvoltage category | II |
| Insulating material group | III |
| EMC compliance | unshielded |
Material
Moreless| Housing material | PA |
| Contact body material | PA black |
| Contact material | CuZn (brass) |
| Contact plating | Au (gold) |
| REACH SVHC |
CAS 7439-92-1 (Lead) |
| SCIP number | ce9f7e7d-dcb1-4da6-866f-9194d0e23191 |
Wire Data
Moreless| Structure of the wire | |
| Cross section (mm²) | 12 x 0.14 mm² |
| Cross section (AWG) | 12 x AWG 26 |
| Wire diameter | 1,3 mm |
| Wire colors |
white brown green yellow pink blue red black grey violet grey-pink red-blue |
| Sheath material | PVC |
| Wire material | Cu (tinned) |
| Wire structure | 7 x 0.16 mm |
| Electrical properties | |
| Rated voltage | 300 V |
| Rated impulse voltage | 3000 V |
| Wire resistance | 135 Ω/Km (20°C) |
| Insulation resistance | 20.0 MΩ/Km (20 °C) |
| Thermal properties | |
| Temperature range wire in move from / to (°C) | -10 °C / 105 °C |
| Temperature range wire fixed from / to (°C) | -30 °C / 105 °C |
Classifications
Moreless| ETIM 9.0 | EC003570 |
General Disclaim Notice
- The connector must not be plugged or unplugged under load. Non-observance and improper use can result in personal injury.
- The connectors have been developed for applications in plant engineering, control and electrical equipment construction. The user is responsible for checking whether the connectors can also be used in other areas of application.
- To protect against unintentional opening of the connector, the thread between the housing and the connector head must be secured with a suitable cyanoacrylate adhesive when used in circuits with voltages dangerous to the touch. This does not apply to connectors used in SELV and PELV circuits according to IEC 61140 (EN 61140, VDE 0140-1).
- Connectors which are used in circuits with voltages dangerous to the touch may only be installed and used by, or under the supervision of, persons with electrical engineering training, taking into account the applicable regulations and standards.
- The user must take suitable safety precautions to ensure that the connector cannot be accidentally disconnected.
- Plug connectors with enclosure protection IP67 and IP68 are not suitable for use under water. When used outdoors, the plug connectors must be protected separately against corrosion. For further information on the IP protection classes, please refer to the "Technical Information" download centre.
- To lock the cable connector with the device connector, the threaded ring is tightened "hand-tight" (approx. 60 cNm).
- The user must take appropriate safety precautions to ensure that the connector cannot be accidentally disconnected. In addition, the user must ensure that the cable is suitably secured.
Downloads
Data sheet
Data sheet 76 4731 3111 00012-0200
download
REACH
76 4731 3111 00012-0200
download
RoHS
76 4731 3111 00012-0200
download
China RoHS
76 4731 3111 00012-0200
download
EPLAN data
76 4731 3111 00012-0200
download
Verify to download
Please complete the verification to proceed with the CAD download.
CAD files
Select required format


