Part no.: 86 6319 1121 00008
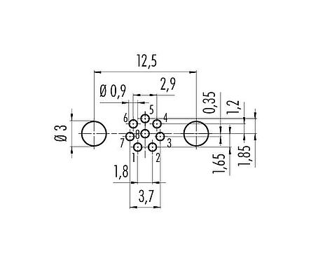
M8 Male panel mount connector, Contacts: 8, shieldable, THT, IP67, UL 2238, M8x1.0, Rear mounting, potted
M8, series 718, Automation Technology - Sensors and Actuators
This male panel mount connector mit with screw locking system and a pin count of 8 is according to its protection class IP67 Dust-tight and has complete protection against contact and protection against temporary immersion. It can be used in areas with a pollution degree of 3. In places where contamination can occur that is conductive or can become conductive through condensation. With temperatures ranges of -40 °C/85 °C is this shieldable M8 male panel mount connector designed for both severe cold and severe heat. Due to the qualified rated voltage of 30 V and the rated current of 1,5 A it is perfectly tuned for its field of application. It complies with the type standard DIN EN 61076-2-104.
General features
Moreless| Part no. |
86 6319 1121 00008
Alternative part no.: 09 3427 82 08
|
| Notice |
Please note that, due to the change from the old to the new order number, there may be deviations in the technical specifications. For questions about product details, please use the ‘Contact Customer Service’ form on the right.
More |
| Connector design | Male panel mount connector |
| Type standard | DIN EN 61076-2-104 |
| Coding | A-coded |
| Version | Connector pin angled |
| Connector locking system | screw/snap-in |
| Termination | THT |
| Degree of protection | IP67 |
| Temperature range from/to | -40 °C / 85 °C |
| Mechanical operation | > 100 Mating cycles |
| Weight (g) | 4.82 |
| Customs tariff number | 85369010 |
| Country of Origin | DE |
Electrical parameters
Moreless| Rated voltage | 30 V |
| Rated impulse voltage | 800 V |
| Rated current | 1.5 A |
| Pollution degree | 3 |
| Overvoltage category | II |
| Insulating material group | II |
| EMC compliance | shieldable |
| Shield connection | Shielding plate |
Material
Moreless| Housing material | Zinc die-cast nickel-plated |
| Contact body material | PA black |
| Contact material | CuZn (brass) |
| Contact plating | Au (gold) |
| REACH SVHC |
CAS 7439-92-1 (Lead) |
| SCIP number | 4270cb6c-249d-4483-9052-51b153a21d8c |
Authorization/approvals
Moreless| Approvals | UL 2238 |
Classifications
Moreless| eCl@ss 11.1 | 27-44-01-09 |
| ETIM 9.0 | EC003569 |
General Disclaim Notice
- The connector must not be plugged or unplugged under load. Non-observance and improper use can result in personal injury.
- The connectors have been developed for applications in plant engineering, control and electrical equipment construction. The user is responsible for checking whether the connectors can also be used in other areas of application.
- Connectors which are used in circuits with voltages dangerous to the touch may only be installed and used by, or under the supervision of, persons with electrical engineering training, taking into account the applicable regulations and standards.
- The user must take suitable safety precautions to ensure that the connector cannot be accidentally disconnected.
- Plug connectors with enclosure protection IP67 and IP68 are not suitable for use under water. When used outdoors, the plug connectors must be protected separately against corrosion. For further information on the IP protection classes, please refer to the "Technical Information" download centre.
- Please observe the pollution degree and the overvoltage category. For further information, please refer to the download center "Technical Information".
- To lock the cable connector with the device connector, the threaded ring is tightened "hand-tight" (approx. 50 cNm).
Downloads
Data sheet
Data sheet 86 6319 1121 00008
download
Certificates
UL certificate
download
REACH
86 6319 1121 00008
download
RoHS
86 6319 1121 00008
download
China RoHS
86 6319 1121 00008
download
EPLAN data
86 6319 1121 00008
download
Verify to download
Please complete the verification to proceed with the CAD download.
CAD files
Select required format



