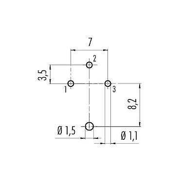
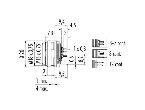
Part no.: 09 0308 290 03
M16 Female panel mount connector, Contacts: 3 (03-a), shieldable, THT, IP40, M18x0,75, Rear mounting
M16 IP40, series 680, Miniature Connectors
This female panel mount connector with screw locking and a pin count of 3 (03-a) is according to its protection class IP40 protected against solid foreign bodies and against access with a wire. No protection against water. It can be used in areas with a pollution degree of 1. In places where there is no or only slight, but non-conductive soiling. The pollution has no influence. With temperatures ranges of -40 °C/85 °C is this shieldable M16 IP40 female panel mount connector designed for both severe cold and severe heat. Due to the qualified rated voltage of 250 V and the rated current of 7,0 A it is perfectly tuned for its field of application. It complies with the type standard DIN EN 61076-2-106.
General features
Moreless| Part no. | 09 0308 290 03 |
| Connector design | Female panel mount connector |
| Type standard | DIN EN 61076-2-106 |
| Version | Connector socket straight |
| Connector locking system | screw |
| Termination | THT |
| Degree of protection | IP40 |
| Temperature range from/to | -40 °C / 85 °C |
| Mechanical operation | > 1000 Mating cycles |
| Weight (g) | 9.22 |
| Customs tariff number | 85369010 |
| Country of Origin | DE |
Electrical parameters
Moreless| Rated voltage | 250 V |
| Rated impulse voltage | 1500 V |
| Rated current | 7.0 A |
| Insulation resistance | ≥ 1010 Ω |
| Pollution degree | 1 |
| Overvoltage category | I |
| Insulating material group | III |
| EMC compliance | shieldable |
| Shield connection | Shield pin |
Material
Moreless| Housing material | Zinc die-cast nickel-plated |
| Contact body material | PBT (UL94 V-0) |
| Contact material | CuSn (bronze) |
| Contact plating | Ag (silver) |
| REACH SVHC |
CAS 7439-92-1 (Lead) |
| SCIP number | 3685fa71-3871-45ac-9cd4-be74f1e08e65 |
Classifications
Moreless| eCl@ss 11.1 | 27-44-01-09 |
| ETIM 9.0 | EC003569 |
Trade-Compliance
Moreless| Copper (9903.78.01) | 0.005570 kg |
General Disclaim Notice
- The connector must not be plugged or unplugged under load. Non-observance and improper use can result in personal injury.
- The connectors have been developed for applications in plant engineering, control and electrical equipment construction. The user is responsible for checking whether the connectors can also be used in other areas of application.
- Connectors which are used in circuits with voltages dangerous to the touch may only be installed and used by, or under the supervision of, persons with electrical engineering training, taking into account the applicable regulations and standards.
- The user must take suitable safety precautions to ensure that the connector cannot be accidentally disconnected.
- Please observe the pollution degree and the overvoltage category. For further information, please refer to the download center "Technical Information".
- To lock the cable connector with the device connector, the threaded ring is tightened "hand-tight" (approx. 60 cNm).
Downloads
Data sheet
Data sheet 09 0308 290 03
download
REACH
09 0308 290 03
download
RoHS
09 0308 290 03
download
China RoHS
09 0308 290 03
download
EPLAN data
09 0308 290 03
download
Verify to download
Please complete the verification to proceed with the CAD download.
CAD files
Select required format




