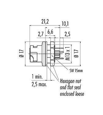
Part no.: 09 0762 090 05
Bayonet Female panel mount connector, Contacts: 5, unshielded, THT, IP54 unplugged, M13x1,0, Front mounting
Bayonet NCC, series 670, Subminiature Connectors
This female panel mount connector with bayonet locking system and a pin count of 5 is according to its protection class IP54 ungesteckt Geschützt gegen Staub in schädigenThis Menge. Vollständiger Schutz gegen Berührung. Schutz gegen allseitiges Spritzwasser. It can be used in areas with a pollution degree of 2. In places where light, non-conductive soiling may occur, but temporary conductivity due to condensation must be expected in some cases. With temperatures ranges of -25 °C/85 °C is this unshielded bayonet NCC female panel mount connector designed for both severe cold and severe heat. Due to the qualified rated voltage of 50 V and the rated current of 2,0 A it is perfectly tuned for its field of application.
General features
Moreless| Part no. | 09 0762 090 05 |
| Connector design | Female panel mount connector |
| Version | Connector pin straight |
| Connector locking system | Bayonet |
| Termination | THT |
| Degree of protection |
IP54 unplugged IP67 |
| Connection cross-section | 0.25 mm² / AWG 24 |
| Temperature range from/to | -25 °C / 85 °C |
| Mechanical operation | > 1000 Mating cycles |
| Weight (g) | 3.89 |
| Customs tariff number | 85369010 |
| Country of Origin | DE |
Electrical parameters
Moreless| Rated voltage | 50 V |
| Rated impulse voltage | 500 V |
| Rated current | 2.0 A |
| Pollution degree | 2 |
| Overvoltage category | II |
| Insulating material group | II |
| EMC compliance | unshielded |
Material
Moreless| Housing material | PA |
| Contact body material | PA |
| Contact material | CuSn (bronze) |
| Contact plating | Au (gold) |
| REACH SVHC |
CAS 7439-92-1 (Lead) |
| SCIP number | c6436bd5-17bc-4563-b2a0-c1e586ac5acb |
Classifications
Moreless| eCl@ss 11.1 | 27-44-01-09 |
| ETIM 9.0 | EC003569 |
General Disclaim Notice
- The connector must not be plugged or unplugged under load. Non-observance and improper use can result in personal injury.
- The connectors have been developed for applications in plant engineering, control and electrical equipment construction. The user is responsible for checking whether the connectors can also be used in other areas of application.
- Connectors which are used in circuits with voltages dangerous to the touch may only be installed and used by, or under the supervision of, persons with electrical engineering training, taking into account the applicable regulations and standards.
- The user must take suitable safety precautions to ensure that the connector cannot be accidentally disconnected.
- Plug connectors with enclosure protection IP67 and IP68 are not suitable for use under water. When used outdoors, the plug connectors must be protected separately against corrosion. For further information on the IP protection classes, please refer to the "Technical Information" download centre.
- Please observe the pollution degree and the overvoltage category. For further information, please refer to the download center "Technical Information".
Downloads
Data sheet
Data sheet 09 0762 090 05
download
REACH
09 0762 090 05
download
RoHS
09 0762 090 05
download
China RoHS
09 0762 090 05
download
EPLAN data
09 0762 090 05
download
Verify to download
Please complete the verification to proceed with the CAD download.
CAD files
Select required format



