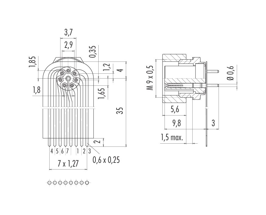
Part no.: 09 0478 65 07
M9 Female panel mount connector, Contacts: 7, unshielded, THT, M9x0,5, Rear mounting
M9 IP40, series 711, Subminiature Connectors
This female panel mount connector with screw locking and a pin count of 7 is according to its protection class IP40 protected against solid foreign bodies and against access with a wire. No protection against water. It can be used in areas with a pollution degree of 1. In places where there is no or only slight, but non-conductive soiling. The pollution has no influence. With temperatures ranges of -40 °C/85 °C is this unshielded M9 IP40 female panel mount connector designed for both severe cold and severe heat. Due to the qualified rated voltage of 125 V and the rated current of 1,0 A it is perfectly tuned for its field of application.
General features
Moreless| Part no. | 09 0478 65 07 |
| Connector design | Female panel mount connector |
| Version | Connector socket straight |
| Termination | THT |
| Weight (g) | 3.31 |
| Customs tariff number | 85369010 |
| Country of Origin | DE |
Electrical parameters
Moreless| Rated voltage | 125 V |
| Rated impulse voltage | 1500 V |
| Rated current | 1.0 A |
| Insulation resistance | ≥ 108 Ω |
| Insulating material group | III |
| EMC compliance | unshielded |
Material
Moreless| REACH SVHC |
CAS 7439-92-1 (Lead) |
| SCIP number | 78f1927c-1c34-419e-8eb1-e7e36e013245 |
Classifications
Moreless| eCl@ss 11.1 | 27-44-01-09 |
| ETIM 9.0 | EC003569 |
General Disclaim Notice
- The connector must not be plugged or unplugged under load. Non-observance and improper use can result in personal injury.
- The connectors have been developed for applications in plant engineering, control and electrical equipment construction. The user is responsible for checking whether the connectors can also be used in other areas of application.
- Connectors which are used in circuits with voltages dangerous to the touch may only be installed and used by, or under the supervision of, persons with electrical engineering training, taking into account the applicable regulations and standards.
- The user must take suitable safety precautions to ensure that the connector cannot be accidentally disconnected.
- Please observe the pollution degree and the overvoltage category. For further information, please refer to the download center "Technical Information".
Downloads
Data sheet
Data sheet 09 0478 65 07
download
REACH
09 0478 65 07
download
RoHS
09 0478 65 07
download
China RoHS
09 0478 65 07
download
EPLAN data
09 0478 65 07
download
Verify to download
Please complete the verification to proceed with the CAD download.
CAD files
Select required format




