Part no.: 09 0407 35 03
M9 Male panel mount connector, Contacts: 3, shieldable, THT, IP67, M12x0.5, Rear mounting, potted
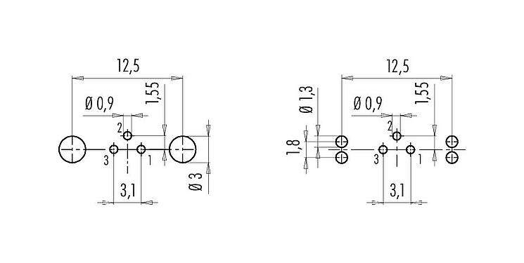
M9 IP67, series 712, Subminiature Connectors
This male panel mount connector with screw locking and a pin count of 3 is according to its protection class IP67 Dust-tight and has complete protection against contact and protection against temporary immersion. It can be used in areas with a pollution degree of 1. In places where there is no or only slight, but non-conductive soiling. The pollution has no influence. With temperatures ranges of -40 °C/85 °C is this shieldable M9 IP67 male panel mount connector designed for both severe cold and severe heat. Due to the qualified rated voltage of 125 V and the rated current of 4,0 A it is perfectly tuned for its field of application.
General features
Moreless| Part no. | 09 0407 35 03 |
| Connector design | Male panel mount connector |
| Version | Connector pin straight |
| Connector locking system | screw |
| Termination | THT |
| Degree of protection | IP67 |
| Temperature range from/to | -40 °C / 85 °C |
| Mechanical operation | > 500 Mating cycles |
| Weight (g) | 10.42 |
| Customs tariff number | 85369010 |
| Country of Origin | DE |
Electrical parameters
Moreless| Rated voltage | 125 V |
| Rated impulse voltage | 1500 V |
| Rated current | 4.0 A |
| Insulation resistance | ≥ 108 Ω |
| Pollution degree | 1 |
| Overvoltage category | II |
| Insulating material group | III |
| EMC compliance | shieldable |
| Shield connection | Shielding plate |
Material
Moreless| Contact body material | PA (UL94 V-0) |
| Contact material | CuZn (brass) |
| Contact plating | Au (gold) |
| REACH SVHC |
CAS 7439-92-1 (Lead) |
| SCIP number | 9de7c6a1-7ffa-4a05-9b8a-7d95086ca245 |
Classifications
Moreless| eCl@ss 11.1 | 27-44-01-09 |
| ETIM 9.0 | EC003569 |
Trade-Compliance
Moreless| Copper (9903.78.01) | 0.001013 kg |
General Disclaim Notice
- The connector must not be plugged or unplugged under load. Non-observance and improper use can result in personal injury.
- The connectors have been developed for applications in plant engineering, control and electrical equipment construction. The user is responsible for checking whether the connectors can also be used in other areas of application.
- Plug connectors with enclosure protection IP67 and IP68 are not suitable for use under water. When used outdoors, the plug connectors must be protected separately against corrosion. For further information on the IP protection classes, please refer to the "Technical Information" download centre.
Downloads
Data sheet
Data sheet 09 0407 35 03
download
REACH
09 0407 35 03
download
RoHS
09 0407 35 03
download
China RoHS
09 0407 35 03
download
EPLAN data
09 0407 35 03
download
Verify to download
Please complete the verification to proceed with the CAD download.
CAD files
Select required format




